网站首页
新闻动态
医院概况
科室导航
重点学科
专家介绍
科研工作
教学工作
专题专栏
党群工作
患者服务
人事招聘
护理之窗
导航
MENU
新闻动态
医院概况
科室导航
重点学科
专家介绍
科研工作
教学工作
专题专栏
党群工作
患者服务
人事招聘
护理之窗
频道首页
医院党建
职工之家
青年园地
行风建设
党风廉政
院务公开
学习园地
您当前的位置:
首页
>党群工作
>院务公开
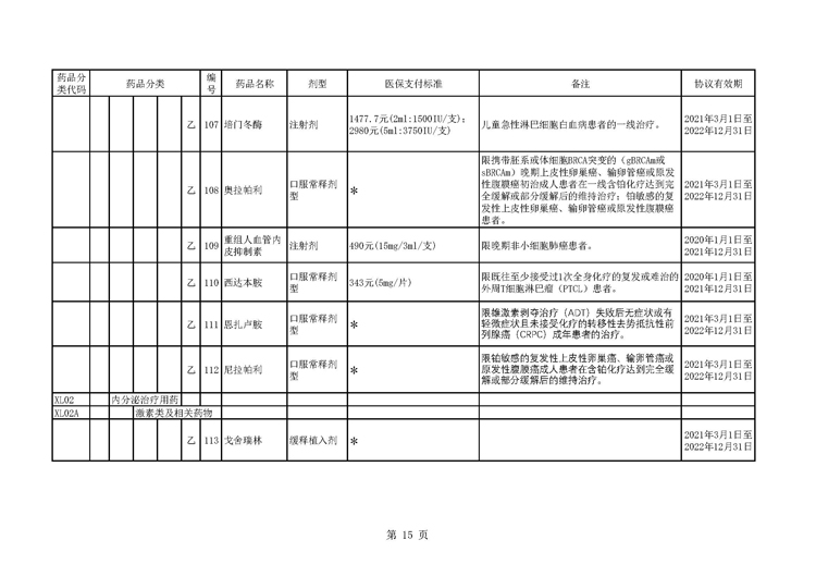
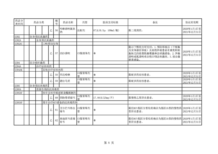
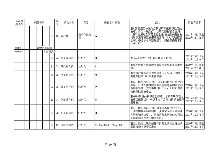
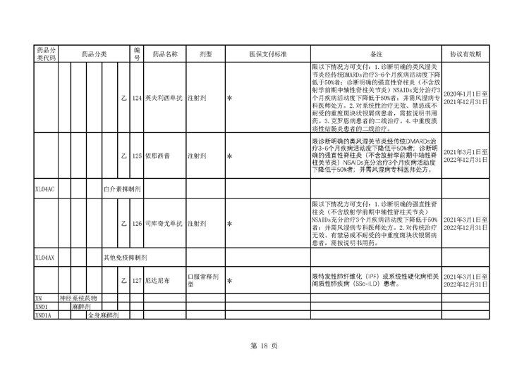
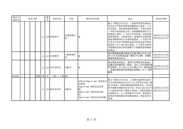
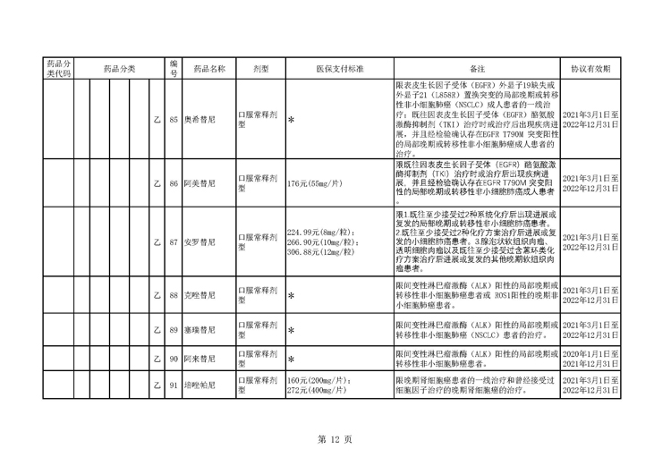
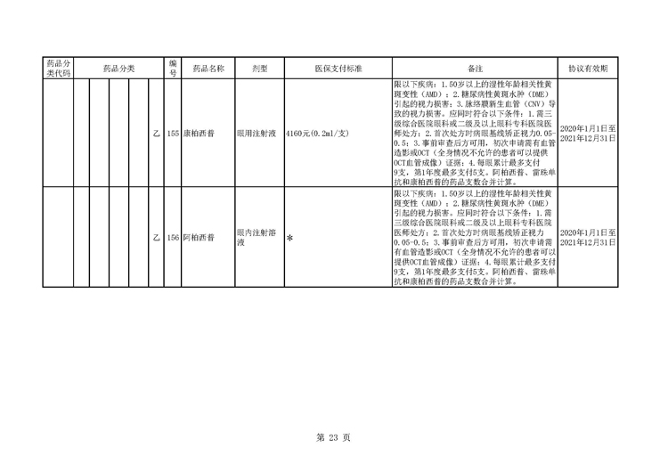
国家谈判药品目录
发布时间:2021-09-06 浏览:
人
国家谈判药品目录
上一篇
贵州省基本医疗保险特殊药品目录
下一篇
医保限定及全自费药品目录